|
|
 |
 |
| |
|
|
|
|
|
|
|
| |
|
|
|
|
|
|
|
|
|
|
 |
|
 |
|
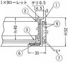
製品情報
・パッキン付簡易防臭型です。
・補強鋼は450以上に設置されています。
・取手は、400以下は中央に1個、450~600は2個設置されています。 |
|
INF2(樹脂タイル用) |
|
INF4(モルタル充填用) |
|
|
|
| |
 |
INF2 部品明細表
| No. |
名称 |
材質 |
| 1 |
外 枠 |
A6063S-T5 |
| 2 |
内 枠 |
A6063S-T5 |
| 3 |
蓋 |
SGHC |
| 4 |
取 手 |
ADC12 |
| 5 |
補強版 |
SGHC |
| 6 |
パッキン |
塩化ビニール |
| 7 |
アンカー |
SGHC |
| 8 |
取手
ケース |
CR |
|
 |
|
 |
INF4 部品明細表
| No. |
名称 |
材質 |
| 1 |
外 枠 |
A6063S-T5 |
| 2 |
内 枠 |
A6063S-T5 |
| 3 |
蓋 |
SGHC |
| 4 |
取 手 |
ADC12 |
| 5 |
補強版 |
SGHC |
| 6 |
パッキン |
塩化ビニール |
| 7 |
アンカー |
SGHC |
| 8 |
取手
ケース |
A6063S-T5 |
|
 |
|
|
|
● 寸法・価格一覧表 ●
| サイズ |
形式/税込価格 |
枠外寸法
C mm |
蓋寸法
B mm |
開口寸法
A mm |
枠外高
H mm |
最大充填深さ
mm |
取手数 |
ダウン
ロード |
INF2
(樹脂タイル用) |
INF4
(モルタル用) |
| 200 |
INF2 200 |
INF4 200 |
販売終了 |
216 |
200 |
154 |
52 |
INF2=3
INF4=40 |
1 |
INF2:
 |
| 250 |
INF2 250 |
INF4 250 |
販売終了 |
266 |
250 |
204 |
| 300 |
INF2 300 |
INF4 300 |
販売終了 |
316 |
300 |
254 |
INF4:
 |
| 350 |
INF2 350 |
INF4 350 |
¥8,393 |
366 |
350 |
304 |
| 400 |
INF2 400 |
INF4 400 |
販売終了 |
416 |
400 |
354 |
| 450 |
INF2 450 |
INF4 450 |
販売終了 |
466 |
450 |
404 |
2 |
INF2:
 |
| 500 |
INF2 500 |
INF4 500 |
販売終了 |
516 |
500 |
454 |
| 550 |
|
INF4 550 |
販売終了 |
566 |
550 |
504 |
INF4:
 |
| 600 |
INF2 600 |
INF4 600 |
販売終了 |
616 |
600 |
554 |
| |
生産終了品 |
INF4

在庫限り |
|
|
|
|
|
|
|
|
|
 |
|
 |
|
製品情報《目詰防止型》
・蓋と受枠の間にゴミが入りませんので安心してご利用いただけます。
・パッキン付簡易防臭型です
・補強鋼は450以上に設置されています
・取手は、400以下は中央に1個、450~600は2個設置されています。 |
|
INFT2(樹脂タイル用) |
|
INFT4(モルタル充填用) |
|
|
|
| |
 |
INFT2 部品明細表
| No. |
名称 |
材質 |
| 1 |
外 枠 |
A6063S-T5 |
| 2 |
内 枠 |
A6063S-T5 |
| 3 |
底 板 |
SGHC |
| 4 |
取 手 |
ADC12 |
| 5 |
取手ケース |
CR |
| 6 |
パッキン |
軟質塩化
ビニール |
| 7 |
アンカー |
SGHC |
| 8 |
補強版 |
SGHC |
| 9 |
コーナー
ピース |
SGHC |
|
 |
|
 |
INFT4 部品明細表
| No. |
名称 |
材質 |
| 1 |
外 枠 |
A6063S-T5 |
| 2 |
内 枠 |
A6063S-T5 |
| 3 |
底 板 |
SGHC |
| 4 |
取 手 |
ADC12 |
| 5 |
取手ケース |
A6063S-T5 |
| 6 |
パッキン |
軟質塩化
ビニール |
| 7 |
アンカー |
SGHC |
| 8 |
補強版 |
SGHC |
| 9 |
コーナー
ピース |
SGHC |
|
 |
|
|
|
● 寸法・価格一覧表 ●
| サイズ |
形式/税込価格 |
開口寸法
A mm |
蓋寸法
B mm |
枠外寸法
C mm |
枠外高
H mm |
最大充填深さ
mm |
取手数 |
INFT2
(樹脂タイル用) |
INFT4
(モルタル用) |
| 200 |
INFT2 200 |
INFT4 200 |
156 |
211 |
218 |
52 |
INFT2=3
INFT4=40 |
1 |
| 250 |
INFT2 250 |
INFT4 250 |
206 |
261 |
268 |
| 300 |
INFT2 300 |
INFT4 300 |
256 |
311 |
318 |
| 350 |
INFT2 350 |
INFT4 350 |
306 |
361 |
368 |
| 400 |
INFT2 400 |
INFT4 400 |
356 |
411 |
418 |
| 450 |
INFT2 450 |
INFT4 450 |
406 |
461 |
468 |
2 |
| 500 |
INFT2 500 |
INFT4 500 |
456 |
511 |
518 |
| 550 |
INFT2 550 |
INFT4 550 |
506 |
561 |
568 |
| 600 |
INFT2 600 |
INFT4 600 |
556 |
611 |
618 |
| |
生産終了品 |
生産終了品 |
|
|
|
|
|
| 注意事項 |
- 画像の色と実物の色と多少異なることがあります。(手作り品なので)寸法・重量等誤差があります。
- 商品お受け取り時に、破損がないかご確認願います。
- 運送会社の路線便(混載便)になりますので、配達時間の指定はできません。
|
|
|
|
| 「お見積りフォーム」からのお申し込みの場合、受付番号が表示されるまで、入力作業を行って下さい。 |
|
|
|
|
|
|
|
 |
| NO.230216 |