|
|
|
|
中部コーポレーション 丸枠ステン目地/丸枠鋳鉄目地
カラー舗装用 化粧マンホールの販売
|
1. MCR-NS
2. MCR
|
|
|
|
|
|
|
|
 |
|
H付=ハンドル付
Hなし=ハンドルなし
形式(例)
| 製品符号 |
サイズ |
ハンドル |
| MCR-DNS |
450 |
H付 |
| MCR-DNS |
450 |
Hなし |
|
|
|
|
|
製品情報
・充填深さを充分にとってありますので、人造石、クリンカタイル、モザイクタイル、磁器タイル等が貼り付けられます。
・パッキン付が標準です。 |
MCR-NS 部品明細表
| No. |
名称 |
材質 |
備考 |
| 1 |
MCR-DNSフタ |
FCD600-3 |
CSコート |
| MCR-1NSフタ |
FCD500-7 |
| MCR-2NSフタ |
FC200 |
| 2 |
枠 |
| 3 |
目 地 |
FC200 |
- |
| 4 |
取 手 |
| 5 |
アンカー |
SS400 |
| 6 |
パッキン |
クロロプレン
ゴム |
|
 |
|
|
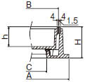
● 寸法・価格一覧表 ●
| 形式 |
税込価格 |
適用
荷重 |
寸法一覧表 mm |
仕上材
充填時の
蓋質量 kg |
総質量
kg |
|
| フタ |
枠 |
| ハンドルなし |
ハンドル付 |
B |
h |
t |
A |
C |
D |
P |
H |
| MCR-DNS 450 |
¥55,260 |
¥57,150 |
重荷重 |
513 |
55 |
6.0 |
574 |
450 |
704 |
564 |
88 |
約44 |
35.3 |
|
| MCR-DNS 600 |
¥78,690 |
¥80,580 |
666 |
55 |
6.5 |
724 |
600 |
854 |
714 |
88 |
約65
|
43.6 |
| MCR-1NS 450 |
¥52,230 |
¥54,120 |
中荷重 |
513 |
55 |
6.0 |
574 |
450 |
704 |
564 |
88 |
約44 |
35.3 |
|
| MCR-1NS 600 |
¥71,450 |
¥73,340 |
666 |
55 |
6.5 |
724 |
600 |
854 |
714 |
88 |
約65
|
43.6 |
| MCR-2NS 450 |
¥49,840 |
¥51,730 |
軽荷重 |
513 |
55 |
6.0 |
574 |
450 |
704 |
564 |
88 |
約44 |
35.3 |
|
| MCR-2NS 600 |
¥68,040 |
¥69,930 |
666 |
55 |
6.5 |
724 |
600 |
854 |
714 |
88 |
約65
|
43.6 |
|
| *適用ハンドルY。 |
|
|
 |
|
| 品名 |
税込価格 |
|
| Yマンホールハンドル |
¥1,950/組
(2本1組) |
|
|
|
| |
|
|
|
|
|
製品情報
・充填深さを充分にとってありますので、人造石、クリンカタイル、モザイクタイル、磁器タイル等が貼り付けられます。
・パッキン付が標準です。
・呼称450の取手部は2箇所です。
・取手部にはキャップが取付けられます。 |
MCR 部品明細表
| No. |
名称 |
材質 |
備考 |
| 1 |
MCR-Dフタ |
FCD600-3 |
CSコート |
| MCR-1フタ |
FCD500-7 |
| MCR-2フタ |
FC200 |
| 2 |
枠 |
| 3 |
アンカー |
SS400 |
- |
| 4 |
パッキン |
クロロプレン
ゴム |
|
 |
|
|
● 寸法・価格一覧表 ●
| 形式 |
税込価格 |
適用
荷重 |
寸法一覧表 mm |
仕上材
充填時の
蓋質量 kg |
総質量
kg |
|
| フタ |
枠 |
| B |
h |
t |
A |
C |
D |
P |
H |
| MCR-D 450 |
¥30,870 |
重荷重 |
515 |
60 |
6.0 |
574 |
450 |
713 |
573 |
83 |
約46 |
35.3 |
 |
| MCR-D 600 |
¥43,350 |
666 |
60 |
6.5 |
746 |
600 |
864 |
724 |
83 |
約68
|
43.6 |
| MCR-1 450 |
¥28,350 |
中荷重 |
515 |
60 |
6.0 |
574 |
450 |
713 |
573 |
83 |
約46 |
35.3 |
| MCR-1 600 |
¥38,940 |
666 |
60 |
6.5 |
746 |
600 |
864 |
724 |
83 |
約68 |
43.6 |
| MCR-2 450 |
¥24,890 |
軽荷重 |
515 |
60 |
6.0 |
574 |
450 |
713 |
573 |
83 |
約46 |
35.3 |
| MCR-2 600 |
¥33,960 |
666 |
60 |
6.5 |
746 |
600 |
864 |
724 |
83 |
約68
|
43.6 |
|
| *適用ハンドルA2。 |
|
|
 |
|
| 品名 |
税込価格 |
|
| A2マンホールハンドル |
¥2,210/組
(2本1組) |
|
|
|